描述
Miniature Inductive Series
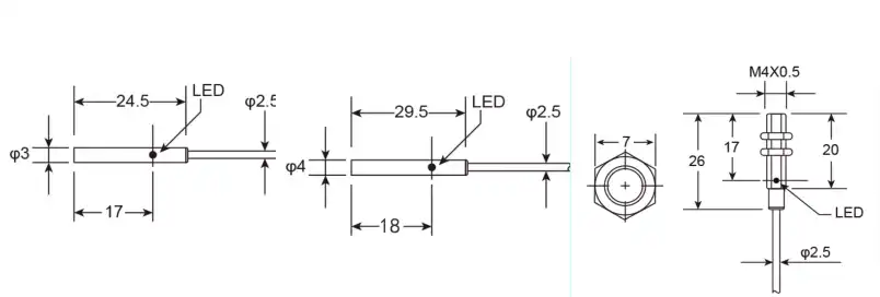
XSZ Miniature Inductive Proximity Sensor
Reliable, wear-free metal detection for confined spaces. The XSZ Miniature Inductive Proximity Sensor delivers exceptionally long service life through non-contact sensing, offering outstanding resistance to harsh industrial environments filled with oil, dirt, and heavy dust.
Key Performance Advantages
Exceptional Durability
Non-contact magnetic metal detection prevents physical contact damage, ensuring a virtually limitless operational lifespan compared to mechanical limit switches.
Extreme Environmental Resistance
Flawlessly operates in the harshest conditions. It remains completely unaffected by target color variations, intense sunlight, machine oil, cooling fluids, or airborne dirt.
High-Frequency Response
With an impressive response frequency of up to 1.5K Hz, this sensor is perfectly suited for high-speed gear counting and rapid automated positioning tasks.
Comprehensive Technical Specifications
| Specification | Standard Value |
|---|---|
| Dimensions (Diameter) | 3mm / 4mm / 5mm options available |
| Installation Method | Flush Mount (Shielded) |
| Sensing Distance | 0.6 mm ±10% / 0.8 mm ±10% |
| Detectable Object | Magnetic metals (Sensing distance is reduced for non-magnetic metals) |
| Standard Sensing Object | Iron 4×4×1mm / Iron 5×5×1mm |
| Operating Voltage Range | DC 10 to 30V (12-24 VDC nominal, Ripple P-P: 10% max) |
| Current Consumption | 10 mA Max. |
| Load Current | 100 mA Max. (Residual Voltage: 1.5V Max.) |
| Response Frequency | 1K Hz to 1.5K Hz (High-speed) |
| Control Output | NPN / PNP | NO (Normally Open) / NC (Normally Closed) available |
| Protection Circuits | Reversed power supply polarity protection |
| Environmental Specs | Operating Temp: -25 to +55°C | Connection: Pre-wired cable |
Wiring & Circuit Diagram
Please consult the wiring diagrams below to correctly integrate the NPN/PNP proximity switch into your control system.

Ideal Industrial Applications
Highly resistant to cutting oils and metallic dust for precise tool positioning.
The 1.5KHz frequency ensures accurate counting of fast-rotating gears and metallic parts.
Miniature 3mm/4mm/5mm housings fit perfectly into highly constrained robotic joints.
Reliable Detection for Tough Environments
Our XSZ technical team is ready to help you implement the most durable inductive sensing solutions for your metal detection needs.
Zhejiang Xinsenzheng Automation Co., Ltd. – PRECISION & INNOVATION





Reviews
There are no reviews yet.